Амиком
600+ брендов 70 000 позиций
Каталог
По всему сайту
По каталогу
Каталог
Акции
Как купить
Компания
О компании
Новости
Стать партнёром
Вакансии
Техподдержка
Контакты
Подобрать комплект
Отправить ТЗ
+7 495 120 06 86
Заказать звонок
Задать вопрос
Войти
  • Корзина0
  • Избранные товары0
  • Сравнение товаров0
sale@ami-com.ru
Москва, площадь Журавлева, д. 2, стр.2
  • Вконтакте
  • Telegram
  • Rutube
  • Яндекс.Дзен
Амиком
600+ брендов 70 000 позиций
+7 495 120 06 86
Заказать звонок
Пн — Пт 9:30 — 18:00 (мск)
Войти
Физ. лицо Юр. лицо
Сравнение0
Избранные товары 0
Корзина 0
Каталог
Видеонаблюдение
СКУД
Шкафы, Стойки и Компонтенты СКС
Монтажные Материалы
Домофоны и Переговорные Устройства
Источники Питания
Кабельная Продукция
Сетевое Оборудование
ОПС
Взрывозащищенное Оборудование
Системы Оповещения и Музыкальной Трансляции
Умный Дом
Средства Пожаротушения
    • Камеры видеонаблюдения
      • IP камеры видеонаблюдения
      • Камеры видеонаблюдения HD
      • Тепловизионные камеры
      • Аналоговые камеры видеонаблюдения
    • Видеорегистраторы для видеонаблюдения
      • HD Видеорегистраторы
      • IP Видеорегистраторы
      • Видеорегистраторы для траспорта
    • Кронштейны и Крепления
    • Устройства Обработки и Передачи
      • Ethernet, PoE
      • Видео Сигнал
      • HDMI Сигнал
      • RS232, RS485 Сигналы
      • Устройства Грозозащиты
      • USB, Клавиатура, Мышь, ИК управление
      • Аудио Сигнал
    • Программное обеспечение для видеонаблюдения
    • Кожухи
      • Дополнительное Оборудование для Кожухов
    • Дополнительное Оборудование Видеонаблюдения
    • Объективы
    • Мониторы для Видеонаблюдения
    • Микрофоны
    • Жесткие Диски и Карты памяти
    • Клавиатуры и Пульты
    • IP Видеосерверы
    • Видеостены
    • Тестовое Оборудование
      • Тестеры для CCTV
      • Тестеры IP-видеосистем
      • Тестеры для CCTV с Сетевыми Функциями
    • Прожекторы ИК
    • Комплекты Видеонаблюдения
    • Муляжи Видеокамер
    • Видеомодули
    • Блоки питания для систем видеонаблюдения
    • Системы видеоаналитики
    • Дополнительное Оборудование СКУД
    • Замки и Защелки
      • Электромагнитные Замки
      • Доп. оборудование к замкам и защелкам
      • Электромеханические Замки
      • Уголки к Электромагнитным Замкам
      • Защелки
      • Механические Замки
    • Турникеты
    • Считыватели
      • Сетевые Считыватели
      • Автономные Считыватели
    • Биометрические СКУД
    • Идентификаторы
    • Автоматика для ворот
    • Программное Обеспечение для СКУД
    • Шлагбаумы
      • Дополнительное оборудование к Шлагбаумам
    • Контроллеры
      • Сетевые Контроллеры
      • Автономные Контроллеры
    • Калитки и ограждения
    • Кнопки Выхода
    • Доводчики
    • Металлодетекторы
      • Арочные Металлодетекторы
      • Ручные Металлодетекторы
    • Комплекты СКУД
    • Картоприемники
    • Кодовые Панели
    • Детекторы взрывчатых веществ
    • Антикражное Оборудование
    • Принтеры для Печати на Пластиковых Картах
    • Алкотестеры
    • Патч Корды
    • Шкафы Телекоммуникационные
      • Шкафы Телекоммуникационные Напольные
      • Шкафы Телекоммуникационные Настенные
    • Аксессуары для Шкафов
    • Аксессуары СКС
    • Термошкафы
    • Оптические Панели и Аксессуары
    • Патч Панели
    • Шкафы Электрические
    • Крепежные Изделия
    • Расходные Материалы
    • Кабель Канал и Аксессуары
    • Коммутационные Изделия
    • Коробки Монтажные
    • Труба Гофрированная
    • Металлорукав
    • Разъемы и переходники
    • Монтажные Инструменты
    • Лотки Кабельные и Аксессуары
    • Труба Гладкая
    • Пневмоинструменты
      • Компрессоры пневматические
      • Пневматические наборы
    • Ручные инструменты
      • Киянки
      • Молотки
    • Электроинструменты
      • Дрели
      • Заточные станки (точила)
      • Измерительные инструменты
      • Рубанки
      • УШМ (Болгарки)
    • Мониторы Домофонов
    • Вызывные Панели к Видеодомофонам
    • Дополнительное Оборудование Домофонов
    • IP-Домофония
    • Комплект Видеодомофонов
    • Переговорные Устройства
    • Аудиодомофоны и абоненские устройства
    • Домофоны Многоабонентные (Подъездные)
    • Интерфоны, Интрекомы
    • Модули Сопряжения
    • Вызывные Панели к Аудиодомофонам
    • Бесперебойные Источники Питания
    • Аккумуляторы и Термостаты
    • Стабилизированные Источники Питания
    • Дополнительное Оборудование к Источникам Питания
    • ИБП 220В (UPS)
    • Стабилизаторы Напряжения
    • Устройства Защиты от Скачков Напряжения
    • Преобразователи Напряжения
    • Солнечные батареи
    • ИБП RACK для 19" стойки
    • Батарейки
    • Кабель Волоконно-Оптический
    • Кабель Витая Пара
    • Кабель для Охранно-Пожарных Систем
    • Кабель Силовой
    • Кабель Комбинированный
    • Кабель Коаксиальный, Радиочастотный
    • Кабель Акустический
    • Кабель Для Интерфейса RS-485
    • Кабель Телефонный
    • Кабель для программирования радиостанций
    • Кабель Саморегулирующийся греющий
    • Сетевые Коммутаторы
    • Инжекторы и Сплиттеры PoE
    • Роутеры и Точки Доступа
    • Сетевые Хранилища
    • Дополнительное сетевое оборудование
    • Медиаконвертеры
    • Оповещатели
      • Оповещатели Звуковые
      • Оповещатели Комбинированные
      • Оповещатели Световые
      • Табло
    • Интегрированные Системы
      • Продукция Компании Орион (Болид)
      • Продукция Компании Рубеж
    • Приборы Приемно-Контрольные
      • Приборы Приемно-Контрольные Охранно-Пожарные
    • Извещатели Охранные для Помещений
      • Извещатели Комбинированные
      • Извещатели Вибрационные и Емкостные
      • Извещатели Тревожной Сигнализации
      • Извещатели Магнитоконтактные
      • Извещатели Оптико-Электронные Пассивные
      • Извещатели Звуковые (акустические)
      • Извещатели Оптико-Электронные Активные
      • Инфракрасные Выключатели Освещения
    • Дополнительное оборудование ОПС
    • Извещатели Охранные для Наружной Установки
      • Извещатели Охраны Периметра Объемные Радиоволновые
      • Извещатели Охраны Периметра ИК-пассивные
      • Извещатели Охраны Периметра Линейные ИК-активные
    • Извещатели Аварийные
      • Извещатели Утечки Газа
      • Извещатели утечки воды
    • Радиоканальные системы ОПС
    • GSM Сигнализация
    • Извещатели Пожарные
      • Извещатели Дымовые
      • Извещатели Линейные Тепловые (термокабель)
      • Извещатели Ручные
      • Извещатели Тепловые Максимальные
      • Извещатели Пламени
    • Программное Обеспечение для ОПС
    • Системы Передачи Извещений
    • Антенны
      • Антенные Кабели, Аксессуары
    • Системы Видеонаблюдения Взрывозащищенные
    • Аксессуары для Термошкафов Взрывозащищенных
    • УЗИПы Устройства защиты
    • Аксессуары для термокожухов и видеокамер
    • Термокожухи
    • Источники Питания Взрывозащищенные
    • Узлы коммутации всепогодные
    • Дополнительное оборудование взрывозащиты
    • Узлы систем видеонаблюдения и регистрации
    • Коробки монтажные взрывозащищенные
    • Барьеры Искрозащиты
    • Извещатели Аварийные Взрывозащищенные
    • Извещатели Охранные Взрывозащищенные
    • Извещатели Пожарные Взрывозащищенные
    • Изделия Коммутационные Взрывозащищенные
    • Модули Пожаротушения Взрывозащищенные
    • Оборудование СКУД Взрывозащищенное
    • Оповещатели Взрывозащищенные
    • Приборы Приемно-Контрольные Взрывозащищенные
    • Система ОПС Взрывоопасных Объектов "Ладога-Ex"
    • Коммутаторы Взрывозащищенные
    • Громкоговорители
    • Аксессуары Систем Оповещения и Музыкальной Трансляции
    • Усилители
    • Переферийные Устройства
    • Микрофоны для Оповещения и Музыкальной Трансляции
    • Моноблочные Системы Оповещения
    • Встраиваемые Модули
    • Мегафоны
    • Шкафы Пожарные
    • Вентили Пожарные
    • Знаки и Плакаты Пожарной Безопасности и Охраны Труда
    • Изделия Коммутационные для Средств Пожаротушения
    • Модули Пожаротушения Тонкораспыленной Водой
    • Модули Порошковые
    • Оборудование для Газового Пожаротушения
    • Огнетушители
    • Пожаротушение для 19" Шкафов
    • Сигнально-Осветительные Приборы
    • Средства защиты и спасения
    • Стволы Пожарные
    • Щиты Пожарные
Акции
Как купить
Компания
  • О компании
  • Новости
  • Стать партнёром
  • Вакансии
  • Техподдержка
  • Контакты
Подобрать комплект
Отправить ТЗ
+  ЕЩЕ
    Амиком
    Каталог
    Акции
    Как купить
    Компания
    • О компании
    • Новости
    • Стать партнёром
    • Вакансии
    • Техподдержка
    • Контакты
    Подобрать комплект
    Отправить ТЗ
    +  ЕЩЕ
      Физ. лицо Юр. лицо
      Сравнение0
      Избранные товары 0
      Корзина 0
      Амиком
      Сравнение0 Избранные товары 0 Корзина 0
      Телефоны
      +7 495 120 06 86
      • Каталог
      • Акции
      • Как купить
      • Компания
        • Назад
        • Компания
        • О компании
        • Новости
        • Стать партнёром
        • Вакансии
        • Техподдержка
        • Контакты
      • Подобрать комплект
      • Отправить ТЗ
      • Личный кабинет
      • Корзина0
      • Избранные товары0
      • Сравнение товаров0
      • +7 (495) 120-06-86
      Контактная информация
      Москва, площадь Журавлева, д. 2, стр.2
      sale@ami-com.ru
      • Вконтакте
      • Telegram
      • Rutube
      • Яндекс.Дзен

      БВД-403А VIZIT Аудиодомофоны и абоненские устройства

      Главная
      —
      Каталог
      —
      Домофоны и Переговорные Устройства
      ВидеонаблюдениеСКУДШкафы, Стойки и Компонтенты СКСМонтажные МатериалыИсточники ПитанияКабельная ПродукцияСетевое ОборудованиеОПСВзрывозащищенное ОборудованиеСистемы Оповещения и Музыкальной ТрансляцииУмный ДомСредства Пожаротушения
      —
      Аудиодомофоны и абоненские устройства
      Мониторы ДомофоновВызывные Панели к ВидеодомофонамДополнительное Оборудование ДомофоновIP-ДомофонияКомплект ВидеодомофоновПереговорные УстройстваДомофоны Многоабонентные (Подъездные)Интерфоны, ИнтрекомыМодули СопряженияВызывные Панели к Аудиодомофонам
      —БВД-403А VIZIT Аудиодомофоны и абоненские устройства
      Артикул: АД5018998
      VIZIT
      БВД-403А
      Розничная цена
      3 780 ₽
      Варианты цен
      3 780 ₽
      Подробности
      Оптовая цена
      По запросу
      Нашли дешевле?
      Уточнить наличие у менеджера
      Заказ в 1 клик
      В корзинуВ корзине
      Самовывоз сегодня - бесплатно
      Подробнее о доставке
      Окончательная стоимость будет согласована менеджером после обработки вашей заявки
      • Описание
      • Отзывы
      • Как купить
      • Характеристики
      • Документация
      Блок вызова на 1 абонента. Подставка для поворота блока на 20°.
      Оставить отзыв

      Для покупки товара в нашем интернет-магазине выберите понравившийся товар и добавьте его в корзину. Далее перейдите в Корзину и нажмите на «Оформить заказ» или «Быстрый заказ».

      Когда оформляете быстрый заказ, напишите ФИО, телефон и e-mail. Вам перезвонит менеджер и уточнит условия заказа. По результатам разговора вам придет подтверждение оформления товара на почту или через СМС. Теперь останется только ждать доставки и радоваться новой покупке.

      Оформление заказа в стандартном режиме выглядит следующим образом. Заполняете полностью форму по последовательным этапам: адрес, способ доставки, оплаты, данные о себе. Советуем в комментарии к заказу написать информацию, которая поможет курьеру вас найти. Нажмите кнопку «Оформить заказ».

      Характеристики товара

      Бренд VIZIT
      По умолчанию 2
      Возможность записи Нет
      IP Нет
      Приложение для смартфона Нет
      Сертификат БВД-403А
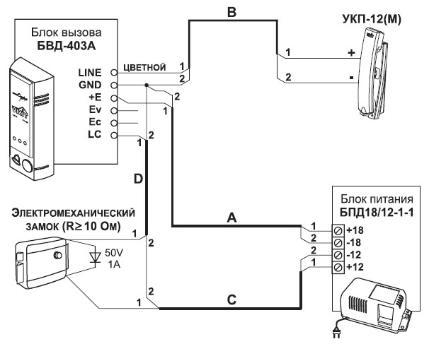
      Схема подключения БВД-403А
      Паспорт БВД-403А
      Руководство пользователя БВД-403А
      Аудиодомофоны Vizit
      Аудиодомофоны Vizit

      Похожие товары

      DR-2L
      DR-2L COMMAX Аудиодомофоны и абоненские устройства
      Арт.: АД5040112
      2 048 ₽
      В корзинуВ корзине
      В корзинуВ корзине
      CAR-42CAD
      CAR-42CAD COMMAX Аудиодомофоны и абоненские устройства
      Арт.: АД5040108
      8 923 ₽
      В корзинуВ корзине
      В корзинуВ корзине
      AP-3SG
      AP-3SG COMMAX Аудиодомофоны и абоненские устройства
      Арт.: АД5040085
      7 210 ₽
      В корзинуВ корзине
      В корзинуВ корзине
      CDS-4GS
      CDS-4GS COMMAX Аудиодомофоны и абоненские устройства
      Арт.: АД5040077
      11 248 ₽
      В корзинуВ корзине
      В корзинуВ корзине
      AVC-109 (Антик)
      AVC-109 (Антик) ACTIVISION Аудиодомофоны и абоненские устройства
      Арт.: АД5032222
      1 602 ₽
      В корзинуВ корзине
      В корзинуВ корзине
      DR-2A3N
      DR-2A3N COMMAX Аудиодомофоны и абоненские устройства
      Арт.: АД5040111
      По запросу
      Под заказ
      Наши менеджеры обязательно свяжутся с вами и уточнят условия заказа
      Под заказ
      Наши менеджеры обязательно свяжутся с вами и уточнят условия заказа
      DR-2A2N
      DR-2A2N COMMAX Аудиодомофоны и абоненские устройства
      Арт.: АД5040110
      По запросу
      Под заказ
      Наши менеджеры обязательно свяжутся с вами и уточнят условия заказа
      Под заказ
      Наши менеджеры обязательно свяжутся с вами и уточнят условия заказа
      DR-2AN
      DR-2AN COMMAX Аудиодомофоны и абоненские устройства
      Арт.: АД5040109
      По запросу
      Под заказ
      Наши менеджеры обязательно свяжутся с вами и уточнят условия заказа
      Под заказ
      Наши менеджеры обязательно свяжутся с вами и уточнят условия заказа
      AVC-109 (черный)
      AVC-109 (черный) ACTIVISION Аудиодомофоны и абоненские устройства
      Арт.: АД5019385
      По запросу
      Под заказ
      Наши менеджеры обязательно свяжутся с вами и уточнят условия заказа
      Под заказ
      Наши менеджеры обязательно свяжутся с вами и уточнят условия заказа
      AVC-109P Медь (Panasonic)
      AVC-109P Медь (Panasonic) ACTIVISION Аудиодомофоны и абоненские устройства
      Арт.: АД5032225
      По запросу
      Под заказ
      Наши менеджеры обязательно свяжутся с вами и уточнят условия заказа
      Под заказ
      Наши менеджеры обязательно свяжутся с вами и уточнят условия заказа
      Розничная цена
      3 780 ₽
      Варианты цен
      3 780 ₽
      Подробности
      Оптовая цена
      По запросу
      Нашли дешевле?
      Уточнить наличие у менеджера
      Заказ в 1 клик
      В корзинуВ корзине
      Самовывоз сегодня - бесплатно
      Подробнее о доставке
      Окончательная стоимость будет согласована менеджером после обработки вашей заявки
      VIZIT
      VIZIT - популярная российская торговая марка домофонов
      Все товары категории
      Все товары бренда VIZIT

      Нужна консультация?

      Наши специалисты ответят на любой интересующий вопрос
      Задать вопрос

      Этот сайт использует файлы "cookie" с целью персонализации сервисов и повышения удобства пользования вэб-сайтом. Если Вы не хотите, чтобы Ваши пользовательские данные обрабатывались, пожалуйста, ограничьте их использование в своём браузере.

      Каталог
      Монтаж оборудования
      Акции
      Прайсы
      Бренды
      Подобрать комплект
      Отправить ТЗ
      Компания "Амиком"
      Новости
      Наши клиенты
      Вакансии
      Контакты
      Стать партнёром
      О компании
      Полезная информация
      Документация
      Возврат и обмен
      Доставка
      Гарантия
      Политика конфиденциальности
      Карта сайта
      Глоссарий
      Согласие на обработку персональных данных
      Подписаться на рассылку
      +7 495 120 06 86
      sale@ami-com.ru
      Москва, площадь Журавлева, д. 2, стр.2
      Присоединяйтесь к нам в социальных сетях!
      • Telegram
      • Вконтакте
      • VK Видео
      • Rutube
      • Яндекс.Дзен
      Обращаем Ваше внимание, что вся информация, размещенная на данном интернет-сайте, носит информационный характер и не является публичной офертой, определяемой положениями Статьи 437 (2) ГК РФ.
      2006-2026 © Амиком. Системы безопасности
      Каталог
      По всему сайту
      По каталогу