ОСНОВНЫЕ ПАРАМЕТРЫ
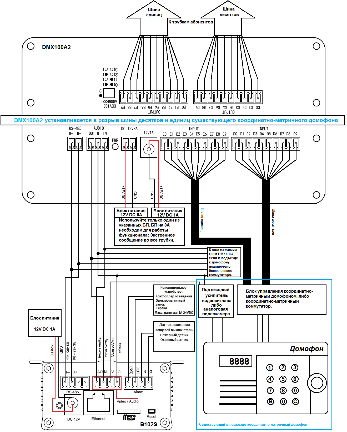
Количество входов для шины десятков: 10
Количество входов для шины единиц: 10
Количество выходов для шины десятков: 10
Количество выходов для шины единиц: 10
Аудио: Duplex
Обмен данными с IP кодером: B102S RS-485
Питание: 12В DC 1A либо 12В DC 8A, см. схему подключения
Рабочий диапазон температур: От -10 до +50°С
Для покупки товара в нашем интернет-магазине выберите понравившийся товар и добавьте его в корзину. Далее перейдите в Корзину и нажмите на «Оформить заказ» или «Быстрый заказ».
Когда оформляете быстрый заказ, напишите ФИО, телефон и e-mail. Вам перезвонит менеджер и уточнит условия заказа. По результатам разговора вам придет подтверждение оформления товара на почту или через СМС. Теперь останется только ждать доставки и радоваться новой покупке.
Оформление заказа в стандартном режиме выглядит следующим образом. Заполняете полностью форму по последовательным этапам: адрес, способ доставки, оплаты, данные о себе. Советуем в комментарии к заказу написать информацию, которая поможет курьеру вас найти. Нажмите кнопку «Оформить заказ».
