ОСНОВНЫЕ ПАРАМЕТРЫ:
Номинальное рабочее напряжение UN: 170 В DC
Макс. длительное рабочее напряжение UС: 180В DC
Номинальный рабочий ток IN: 0,5 А
Номинальный ток разряда (8/20 мкс) In: 2 кА
Максимальный ток разряда (8/20 мкс) IMAX: 20 кА
C2 Уровень напряжения защиты UP при In пары относительно земли (A1-G,B1-G,A2-G,B2-G) (синфазная наводка): 210В
C2 Уровень напряжения защиты UP при In между проводниками пары (А1-B1,A2-B2) (дифференциальная наводка): 250В
Время срабатывания tA, не более 10нс/100нс
Вносимая емкость в линию, не более 60 пкФ
Скорость передачи данных, не более 25 Мбит / сек
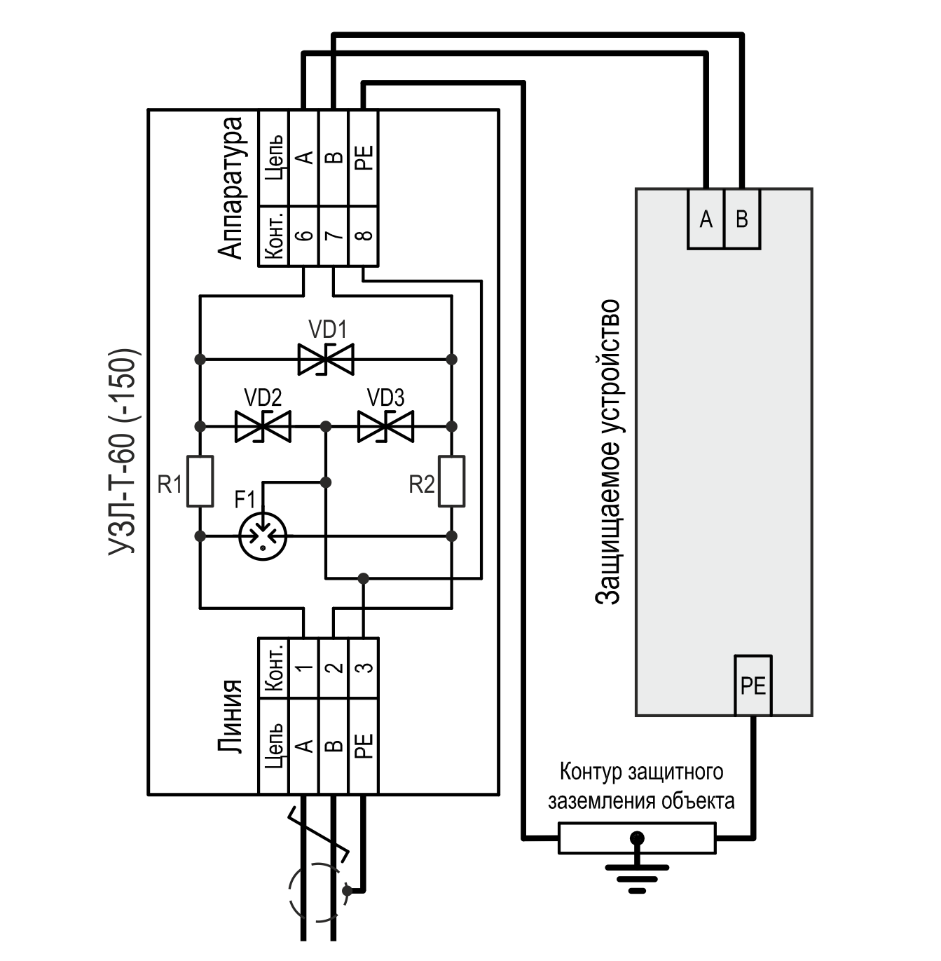
Количество защищаемых пар: 1
Сечение подключаемых проводов, не более 2,5 мм2
Категория испытаний по МЭК 61643-21: A2,B2,С2,C3,D1
Диапазон рабочих температур: – 55°С … +85°С
Габаритные размеры: 89 х 58 х 35 мм
Вес в упаковке: 90 г
Для покупки товара в нашем интернет-магазине выберите понравившийся товар и добавьте его в корзину. Далее перейдите в Корзину и нажмите на «Оформить заказ» или «Быстрый заказ».
Когда оформляете быстрый заказ, напишите ФИО, телефон и e-mail. Вам перезвонит менеджер и уточнит условия заказа. По результатам разговора вам придет подтверждение оформления товара на почту или через СМС. Теперь останется только ждать доставки и радоваться новой покупке.
Оформление заказа в стандартном режиме выглядит следующим образом. Заполняете полностью форму по последовательным этапам: адрес, способ доставки, оплаты, данные о себе. Советуем в комментарии к заказу написать информацию, которая поможет курьеру вас найти. Нажмите кнопку «Оформить заказ».
