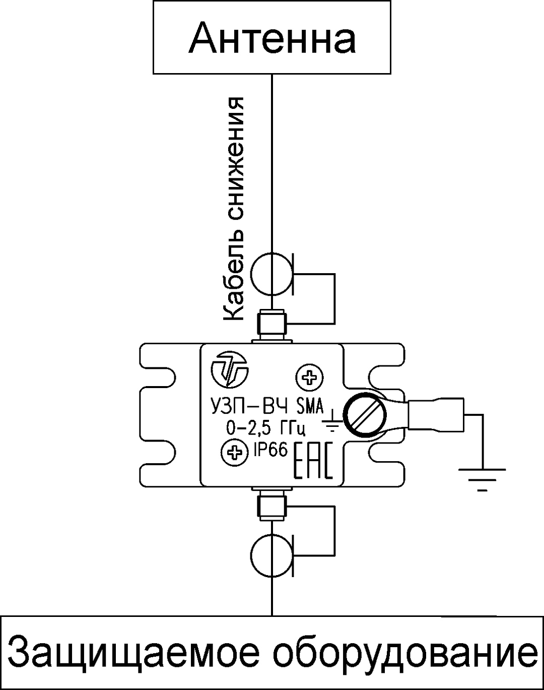
ОСНОВНЫЕ ПАРАМЕТРЫ:
Волновое сопротивление: 50 Ом
Полоса пропускания по уровню -1 дб: 0÷2,5 ГГц
КСВН в диапазоне 20-2480 МГц, не более: 1,6
Потери в диапазоне, МГц:
20-900 (ТВ, КТВ): 0,2÷0,5 дБ
900-2000 (КТВ, SAT, GSM): 0,2÷0,6 дБ
2,4-2,48 (Wi-Fi): 0,3÷0,9 дБ
Тип разъема: SMA
Статическое напряжение пробоя (100 В/с) не более: 110 В
Уровень напряжения защиты (динамическое напряжение пробоя (1 кВ/мкс)), не более: 640 В
Максимальный разрядный ток (10/350 мкс): 2 кА
Максимальный разрядный ток tимп. 8/20мкс (Imax): 20 кА
Время срабатывания, менее: 25 нсек
Диапазон рабочих температур: -60 ÷ +80 °С
Габаритные размеры, (ДхВхШ): 60 х 39 х 32,5 мм
Для покупки товара в нашем интернет-магазине выберите понравившийся товар и добавьте его в корзину. Далее перейдите в Корзину и нажмите на «Оформить заказ» или «Быстрый заказ».
Когда оформляете быстрый заказ, напишите ФИО, телефон и e-mail. Вам перезвонит менеджер и уточнит условия заказа. По результатам разговора вам придет подтверждение оформления товара на почту или через СМС. Теперь останется только ждать доставки и радоваться новой покупке.
Оформление заказа в стандартном режиме выглядит следующим образом. Заполняете полностью форму по последовательным этапам: адрес, способ доставки, оплаты, данные о себе. Советуем в комментарии к заказу написать информацию, которая поможет курьеру вас найти. Нажмите кнопку «Оформить заказ».
