ОСНОВНЫЕ ПАРАМЕТРЫ:
Номинальное рабочее напряжение (Un): ~230 В / 50 Гц
Максимальное длительное рабочее напряжение (Uc): ~275 В / 50 Гц
Классификационное напряжение при 1мА, не более: ~473 В / 50 Гц
Номинальный разрядный ток при tимп. 8/20мкс (In): 20 кА
Максимальный разрядный ток при tимп. 8/20мкс (Imax): 40 кА
Уровень напряжения защиты при In, (Up), не более: 1,5 кB
Время срабатывания, менее: 25 нсек
Сечение подключаемых проводов, мм2:
жесткий одножильный: 2,5÷35 мм2
гибкий многожильный: 2,5÷16 мм2
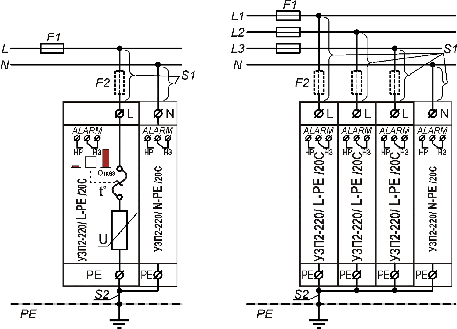
Контакты дистанционной сигнализации (только УЗП2-220/L-PE/20С):
максимальный коммутируемый ток: 3 А
максимальное коммутируемое напряжение: 250 В
сечение подключаемых проводов, не более: 2,5 мм2
Диапазон рабочих температур: -55…+80 °С
Габаритные размеры, (ДхВхШ): 92х74,5х17,8 мм
Вес в упаковке: 90 г
Для покупки товара в нашем интернет-магазине выберите понравившийся товар и добавьте его в корзину. Далее перейдите в Корзину и нажмите на «Оформить заказ» или «Быстрый заказ».
Когда оформляете быстрый заказ, напишите ФИО, телефон и e-mail. Вам перезвонит менеджер и уточнит условия заказа. По результатам разговора вам придет подтверждение оформления товара на почту или через СМС. Теперь останется только ждать доставки и радоваться новой покупке.
Оформление заказа в стандартном режиме выглядит следующим образом. Заполняете полностью форму по последовательным этапам: адрес, способ доставки, оплаты, данные о себе. Советуем в комментарии к заказу написать информацию, которая поможет курьеру вас найти. Нажмите кнопку «Оформить заказ».
