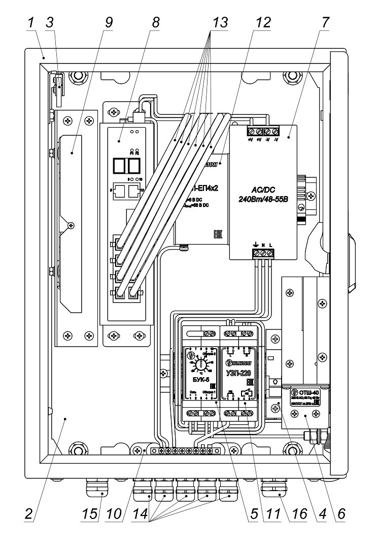
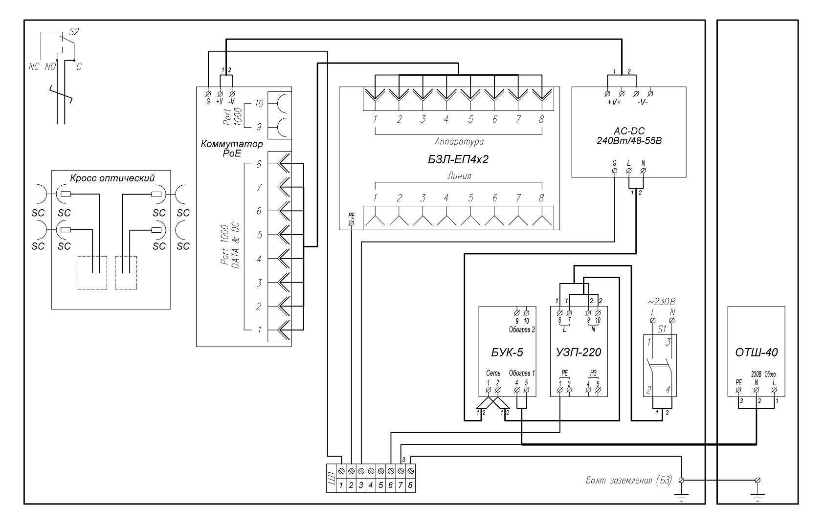
Тип устройства: Коммутатор гигабитный управляемый
Монтаж: Уличное исполнение
LAN порты 100/1000 Мбит, шт.: 0/8
Напряжение питания, В: 220 AC
SFP порты, шт.: 2
Потребляемая мощность, Вт: 290
Из них LAN порты с PoE, шт.: 8
Диапазон рабочих температур, °С: -60…+50
Мощность РоЕ, на порт/суммарная, Вт.: 30/230
Габаритные размеры, мм: 300х300х210
Для покупки товара в нашем интернет-магазине выберите понравившийся товар и добавьте его в корзину. Далее перейдите в Корзину и нажмите на «Оформить заказ» или «Быстрый заказ».
Когда оформляете быстрый заказ, напишите ФИО, телефон и e-mail. Вам перезвонит менеджер и уточнит условия заказа. По результатам разговора вам придет подтверждение оформления товара на почту или через СМС. Теперь останется только ждать доставки и радоваться новой покупке.
Оформление заказа в стандартном режиме выглядит следующим образом. Заполняете полностью форму по последовательным этапам: адрес, способ доставки, оплаты, данные о себе. Советуем в комментарии к заказу написать информацию, которая поможет курьеру вас найти. Нажмите кнопку «Оформить заказ».
Характеристики товара
Похожие товары
Нужна консультация?
Наши специалисты ответят на любой интересующий вопрос